Ohřívač vzduchu EOVv, 1,5 kW, 230 V, napojení: 1,5"
Kód: VG58015015Detailní popis produktu
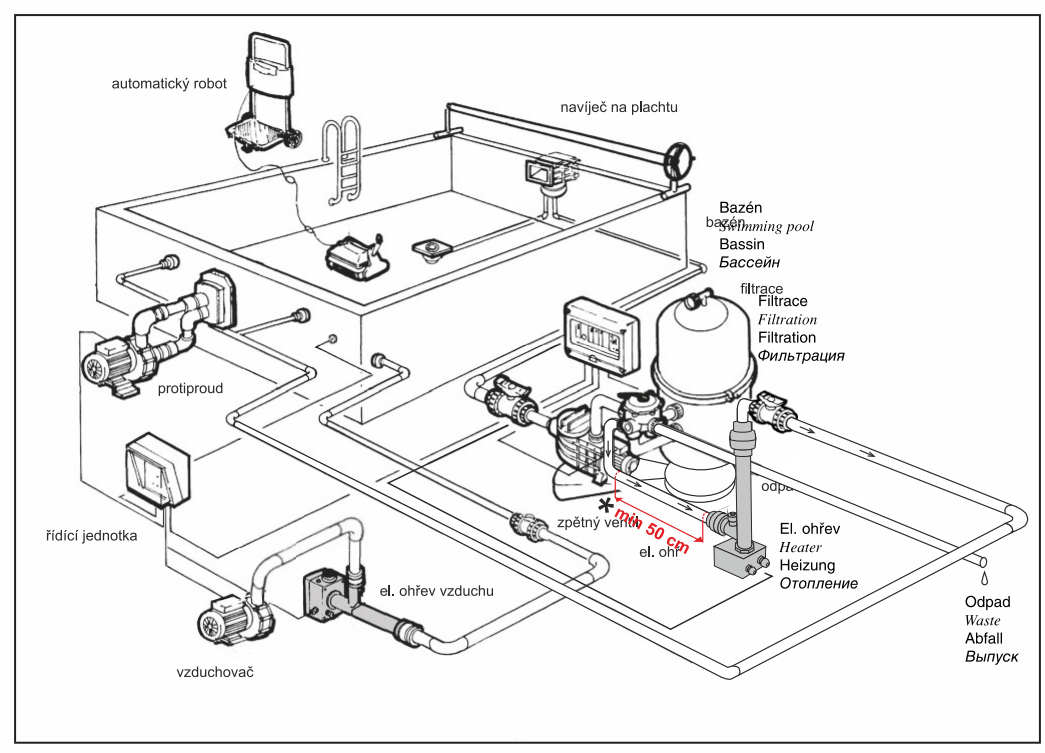
Ohřívač vzduchu EOV VV Je speciálně navržen a konstruován k ohřevu vzduchu proudícího ze vzduchovače u venkovních nebo interiérových bazénech, lázních a vířivých vanách.
PRINCIP FUNGOVÁNÍ
Činnost spočívá v ohřevu vzduchu proudícího tělesem topení. Požadovanou teplotu ohřívaného vzduchu nastavujeme regulovatelným kapilárovým termostatem s možností nastavení 0-70°C, který je umístěn na krabičce topného zařízení.
Zařízení je možné doplnit na Vaše přání elektronickým termostatem.
Topné těleso je spínáno stykačem, který není součástí výbavy ohřívače typu EOV. Spínací stykač je dodáván samostatně v ovládací automatice včetně dalších potřebných ovládacích prvků. Spínací stykač je ovládán výše uvedeným termostatem.
Topení je dále jištěno tepelnou pojistkou, která je nastavena na vypínací hodnotu 75°C. V případě vypnutí této tepelné pojistky se jedná o poruchu ohřívače a je nutno zavolat odborného pracovníka, který překontroluje celý systém a zjistí příčinu přehřátí.
SCHÉMA ZAPOJENÍ

OBSAH BALENÍ
- Ohřívač vzduchu EOV VV
- Plastové držáky pro upevnění na zeď -- 2ks
- Schéma zapojení
! ZAŘÍZENÍ MUSÍ BÝT INSTALOVÁNO KVALIFIKOVANÝM NEBO VYŠKOLENÝM PRACOVNÍKEM !
Doplňkové parametry
| Kategorie: | EOVv - Ohřívač vzduchu |
|---|---|
| Výkon: | 1,5 kW |
| Napětí: | 230 V |
| Napojení: | 1,5" |
Hodnocení produktu
Buďte první, kdo napíše příspěvek k této položce.
Diskuze
Buďte první, kdo napíše příspěvek k této položce.
Pouze registrovaní uživatelé mohou vkládat příspěvky. Prosím přihlaste se nebo se registrujte.




